| Status ketersediaan: | |
|---|---|
| Kuantiti: | |
J21s
WORLD
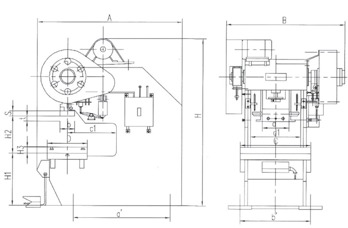
Kedalaman tekak disesuaikan mengikut lembaran gegelung dan lebar plat keluli. Badan dikimpal plat keluli mempunyai kekuatan dan ketegangan yang lebih tinggi. Badan jenis blok mono jauh lebih baik daripada badan bolt jenis ekonomik.
Jenis engkol dalam tekak yang menumbuk akhbar boleh melengkapkan dengan klac pneumatik pilihan. Operasi yang lebih selamat dan mudah.
| Item | Unit | J21S-10 | J21S-16 | J21S-25 | J21S-40 | J21S-63 | J21S-80 | J21S-100 | |
| Kapasiti nominal | Kn | 100 | 160 | 250 | 400 | 630 | 800 | 1000 | |
| Panjang strok slaid | mm | 45 | 55 | 65 | 90 | 110 | 120 | 140 | |
| Kelajuan strok | kali/minit | 145 | 125 | 55 | 45 | 40 | 38 | 38 | |
| Maks. mati ketinggian tertutup | mm | 180 | 220 | 270 | 320 | 390 | 440 | 480 | |
| Pelarasan ketinggian mati mati | mm | 35 | 45 | 55 | 65 | 80 | 90 | 100 | |
| Kedalaman tekak | mm | 300 | 500 | 600 | 710 | 800 | 800 | 900 | |
| Jarak lajur | mm | 208 | 278 | 330 | 470 | 590 | 600 | 720 | |
| Saiz saiz bawah | L-R | mm | 170 | 200 | 250 | 300 | 400 | 430 | 540 |
| F-b | mm | 150 | 180 | 220 | 260 | 360 | 360 | 480 | |
| Saiz lubang pemegang | Diameter | mm | 30 | 40 | 40 | 50 | 50 | 60 | 60 |
| Kedalaman | mm | 55 | 60 | 60 | 70 | 70 | 75 | 75 | |
| Saiz meja kerja | L-R | mm | 370 | 450 | 560 | 700 | 860 | 950 | 1080 |
| F-b | mm | 240 | 300 | 370 | 460 | 570 | 650 | 710 | |
| Ketebalan meja kerja | mm | 35 | 40 | 50 | 65 | 80 | 100 | 120 | |
| Diameter lubang meja | mm | 80 | 100 | 120 | 150 | 180 | 200 | 220 | |
| Permukaan meja ke jarak tanah | mm | 730 | 750 | 800 | 835 | 860 | 850 | 850 | |
| Dimensi keseluruhan | F-b | mm | 835 | 1250 | 1835 | 2338 | 2748 | 2720 | 2815 |
| L-R | mm | 665 | 850 | 950 | 1335 | 1500 | 1715 | 1790 | |
| Ketinggian | mm | 1763 | 2030 | 2215 | 2660 | 2828 | 3290 | 3625 | |
| Kekuatan motor elektrik | Kw | 1.1 | 1.5 | 2.2 | 5.5 | 7.5 | 7.5 | 11 | |
| Berat (anggaran) | Kg | 950 | 1750 | 2750 | 5900 | 7600 | 9800 | 10080 | |
Kedalaman tekak disesuaikan mengikut lembaran gegelung dan lebar plat keluli. Badan dikimpal plat keluli mempunyai kekuatan dan ketegangan yang lebih tinggi. Badan jenis blok mono jauh lebih baik daripada badan bolt jenis ekonomik.
Jenis engkol dalam tekak yang menumbuk akhbar boleh melengkapkan dengan klac pneumatik pilihan. Operasi yang lebih selamat dan mudah.
| Item | Unit | J21S-10 | J21S-16 | J21S-25 | J21S-40 | J21S-63 | J21S-80 | J21S-100 | |
| Kapasiti nominal | Kn | 100 | 160 | 250 | 400 | 630 | 800 | 1000 | |
| Panjang strok slaid | mm | 45 | 55 | 65 | 90 | 110 | 120 | 140 | |
| Kelajuan strok | kali/minit | 145 | 125 | 55 | 45 | 40 | 38 | 38 | |
| Maks. mati ketinggian tertutup | mm | 180 | 220 | 270 | 320 | 390 | 440 | 480 | |
| Pelarasan ketinggian mati mati | mm | 35 | 45 | 55 | 65 | 80 | 90 | 100 | |
| Kedalaman tekak | mm | 300 | 500 | 600 | 710 | 800 | 800 | 900 | |
| Jarak lajur | mm | 208 | 278 | 330 | 470 | 590 | 600 | 720 | |
| Saiz saiz bawah | L-R | mm | 170 | 200 | 250 | 300 | 400 | 430 | 540 |
| F-b | mm | 150 | 180 | 220 | 260 | 360 | 360 | 480 | |
| Saiz lubang pemegang | Diameter | mm | 30 | 40 | 40 | 50 | 50 | 60 | 60 |
| Kedalaman | mm | 55 | 60 | 60 | 70 | 70 | 75 | 75 | |
| Saiz meja kerja | L-R | mm | 370 | 450 | 560 | 700 | 860 | 950 | 1080 |
| F-b | mm | 240 | 300 | 370 | 460 | 570 | 650 | 710 | |
| Ketebalan meja kerja | mm | 35 | 40 | 50 | 65 | 80 | 100 | 120 | |
| Diameter lubang meja | mm | 80 | 100 | 120 | 150 | 180 | 200 | 220 | |
| Permukaan meja ke jarak tanah | mm | 730 | 750 | 800 | 835 | 860 | 850 | 850 | |
| Dimensi keseluruhan | F-b | mm | 835 | 1250 | 1835 | 2338 | 2748 | 2720 | 2815 |
| L-R | mm | 665 | 850 | 950 | 1335 | 1500 | 1715 | 1790 | |
| Ketinggian | mm | 1763 | 2030 | 2215 | 2660 | 2828 | 3290 | 3625 | |
| Kekuatan motor elektrik | Kw | 1.1 | 1.5 | 2.2 | 5.5 | 7.5 | 7.5 | 11 | |
| Berat (anggaran) | Kg | 950 | 1750 | 2750 | 5900 | 7600 | 9800 | 10080 | |
0086 21 62828320
0086 13817120700
wang@worldpowerpress.com