Berita
Kamu di sini: rumah » Berita » Pusat ilmu » Cara Memadankan Sumber Kuasa Elektrik Mesin Akhbar

Cara Memadankan Sumber Kuasa Elektrik Mesin Akhbar

Views:0     Pengarang:Editor tapak     Masa Terbitkan: 2022-07-01      Asal:Tapak

Cara Memadankan Sumber Kuasa Elektrik Mesin Tekan Anda

Mesin tekan biasanya mengamalkan 3 fasa sumber kuasa elektrik. Artikel ini adalah untuk memperkenalkan butiran sumber kuasaTekan mesin. Kami menggunakan mesin akhbar dunia sebagai contoh.


Contoh:World Brand C Frame Single Crank Press, JH21-160


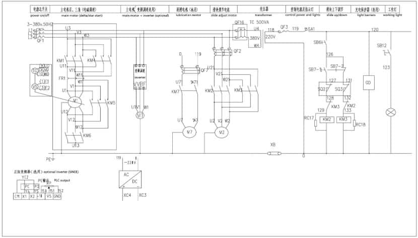
Terdapat tiga keping motor elektrik di akhbar. Motor utama untuk memandu sistem penghantaran, motor brek rata untuk menyesuaikan slaid, dan motor kecil untuk pam gris elektrik. Input sumber kuasa elektrik menghubungkan motor utama dan slaid menyesuaikan motor secara langsung. Kuasa input menghubungkan motor pam gris melalui pengubah. Transformer memindahkan voltan kuasa input kepada 220V.

Kuasa Tekan Rajah Elektrik-2

Negara -negara yang berbeza mempunyai standard voltan perindustrian yang berbeza. 220V, 380V, 400V, 415V, 440V dan 600V. Mesin akhbar jenama dunia dibuat di China dengan voltan standard sebagai 380V. Pembeli hendaklah mengesahkan voltan kuasa tempatan sebelum membuat pesanan dengan jentera dunia untuk mesin akhbar. Jentera Dunia boleh mengubah standard voltan mesin akhbar kuasa dengan sewajarnya. Motor utama dan slaid menyesuaikan voltan motor perlu diubah. Standard voltan penyongsang frekuensi juga harus diubah jika pembeli memerlukan penyongsang pilihan. Voltan motor pam gris tidak memerlukan perubahan, kerana input adalah melalui pengubah.

Kuasa tekan sambungan kuasa elektrik-2

Sambungkan wayar 3 fasa ke L1, L2 dan L3. PE adalah tanah untuk keselamatan. Hidupkan motor utama, periksa arah roda roda putar. Arahnya harus mengikut arah jam, kerana anak panah menunjukkan pada Pengawal Keselamatan Flywheel. Sekiranya arahan itu salah, hanya perlu menggantikan dua terminal L1, L2 dan L3.


Standard semasa wayar

Amperes semasa adalah mengikut kapasiti kuasa. Jadual berikut adalah untuk rujukan.

Kuasa (kw)

Voltan (v)

Semasa (a)

0.75

380

2

1.5

380

3.6

2.2

380

5

3

380

6.6

4

380

8.5

5.5

380

11.5

7.5

380

15.5

11

380

22

15

380

30

18.5

380

37

22

380

44

30

380

60

37

380

72

45

380

85

55

380

105

75

380

138

90

380

160


GET IN TOUCH

  0086 21 62828320

  0086 13817120700

         0086 13817590728

  wang@worldpowerpress.com

         info@worldpowerpress.com

PAUTAN PANTAS

PRODUCTS

Copyright © SHANGHAI Yingxin WORLD MACHINERY CO., LTD. Hak cipta terpelihara. Bilangan laman web Registeration: 沪 ICP 备 09030720 号 -2
teknologi denganleadong/Peta Laman